
|
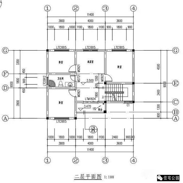
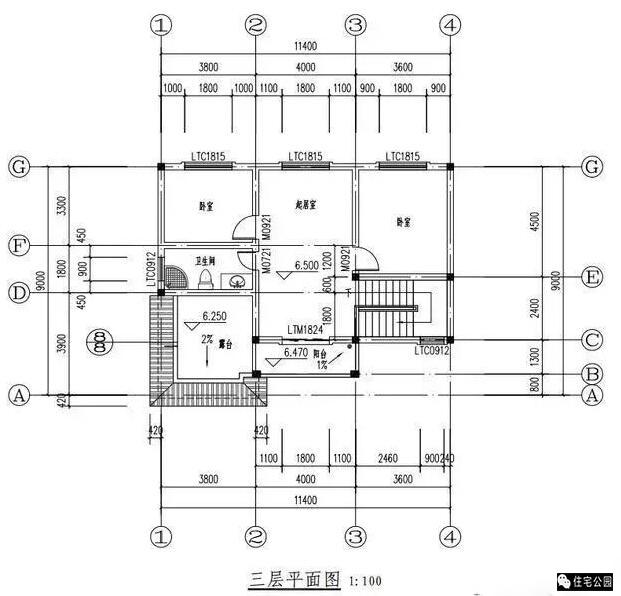
今天呢,準備給大家分享一套經濟又實用的新款農村三層樓房圖片,此別墅開間11.4米,進深9米,建筑面積267平方米,磚混結構建造,當然,框架結構也是可以建造的。此別墅是二分段式的建筑,三層外墻是白色真石漆,一二層是紅色外墻磚,墻裙是接地氣的文化石,是一套既經濟實用又很時尚的別墅。
平面布局圖: 此別墅布局分明,有無分離,一層主要是功能性用間,進門是堂屋兼餐廳,堂屋東側是客廳,西側是廚房、儲藏室和衛生間,一家人的生活起居在一層都可以完成。 三層同樣以居住為主,有2個臥室和一個起居室,其實還有一個陽臺和一個露臺觀景臺,觀景臺上擺放些綠色盆栽,種些花花草草,居室環境會更佳,生活起來也更加舒適安詳。
你們感覺這套戶型怎么樣呢? 圖紙之家-專注農村別墅/自建房設計18年,集合國內200余位經驗豐富的設計師,被評為口碑最好的農村建筑設計公司! |

110平方米新農村實用現代的二層建筑設計圖紙帶外觀圖11X10米
占地:110平方米
150平方米自建現代二層別墅施工設計圖帶外觀圖,15x10米
占地:多戶型可選
歐式漂亮農村三層自建房設計圖紙,兩個戶型方案可選
占地:多戶型可選
農村一層帶小院房屋設計圖,帶院子一層自建房別墅戶型圖
占地:161.16平方米
110平農村二層房屋設計圖,新農村自建房戶型推薦
占地:110平方米
農村兩層新中式別墅圖紙設計圖,外觀圖片大氣,21萬左右
占地:108平方米
三層樓房設計圖紙含效果圖,外觀造型高低錯落,別致大方
占地:152.4平方米
130平方米新農村三層房屋設計圖紙,外觀簡單大方
占地:130平方米
農村一層中式三合院別墅戶型圖,這才是適合中國人建的好房子
占地:218.77平方米
適合農村自建四合院圖片,中式二層四合院別墅設計施工圖紙
占地:232平方米
農村4開間二層別墅設計圖,帶堂屋帶露臺,進深9米
占地:126平方米左右
120平方兩層房子設計圖及圖片,外觀大方好看,內部結構合理
占地:120平方米
二層美式自建別墅設計圖,全套施工圖+外觀效果圖
占地:145平方米
新中式三層豪華大氣三層別墅自建房屋設計圖,帶地下室,土豪專
占地:194平方米
面寬13米三層新中式獨棟別墅設計圖,復式自建房戶型方案
占地:201.25平方米
時尚典雅歐式三層自建房設計圖,美觀大氣簡單舒適,好看到沒得
占地:153.12平方米
120平方米農村漂亮實用的兩層別墅設計圖紙,含外觀圖片
占地:120平方米
二開間小戶型設計三層農村自建房方案,經濟型適合小宅基地建房
占地:107.02平方米
120平方米新農村房屋設計圖紙,新中式效果圖,3層住宅設計方案
占地:120平方米
三層獨棟帶露臺房屋設計圖,含外觀圖片大全
占地:110平方米
推薦:10套新農村自建房設計圖,2026年最新設計
閱讀次數:4825737次
100套鄉村別墅圖片大全,2026年最新設計
閱讀次數:2492203次
6款農村蓋一層平房的設計圖,10萬元就能建起來
閱讀次數:1852637次
這11個一層農村自建房別墅火爆了朋友圈!我最喜歡戶型十!你呢
閱讀次數:750268次
農村6萬元建一層小別墅圖,你敢相信嗎
閱讀次數:567686次
農村5萬塊就能自建房,6套普通房子設計圖分享,你沒看錯!
閱讀次數:419410次
8套農村漂亮三間平房圖片,非常適合在農村修建!
閱讀次數:411197次
農村自建房化糞池怎么做?附方案及施工過程
閱讀次數:391783次
農村一層三間平房設計圖,告別土氣養老房,讓人忍不住點贊
閱讀次數:350581次
新農村二層樓房圖片造價12萬,挑一套回家建房吧!
閱讀次數:349126次
