
|
小戶型的宅基地在農村建房中,一直是比較多的,這也導致很多人都發愁該怎么設計出好看的房子,既要滿足一家人的審美,又要實用舒適,這就比較難設計了,但是看看今天小編推薦的這三款小戶型三層別墅設計圖,美觀大方,而且三層戶型,家里人多住著也不會很擁擠,空間利用率極高。
戶型一:占地70平米三層獨棟別墅設計圖,小戶型別墅
![]() 圖紙介紹:這款三層別墅占地70平方米,小戶型別墅設計,外觀造型不對稱拼湊設計,時尚感十足,以歐式風格為主,摻了一些田園元素,讓整體更有設計感;室內布局合理,功能齊全。 占地面積:8.1m*10.5m,73平方米左右; 建筑層高:三層; 建筑高度:10米(含屋頂); 設計功能: 一層戶型:客廳、雜物間、餐廳、廚房、臥室、衛生間; 二層戶型:書房、臥室x2、衛生間、露臺; 三層戶型:衛生間、露臺; ![]() ![]() ![]() 戶型二:占地100平米兩件三層樓房設計圖,舒服實用的好戶型
![]() 圖紙介紹:這款兩層三間別墅占地100平米左右,造價30來萬,經典的好戶型,雖然開間小,但是內部設計合理,空間利用率高,適合農村人的好戶型。 占地面積:9.0m*11.4m,一層占地100平方米左右; 建筑層高:三層; 建筑高度:12.29米(含屋頂); 設計功能: 一 層:客廳、廚房、餐廳、臥室、衛生間; 二 層:客廳上空、客廳、臥室x3、衛生間、陽臺; 三 層:客廳、主臥(帶衛生間、衣帽間)、臥室、衛生間; ![]() ![]() ![]() 戶型三:農村三層別墅設計圖,占地僅60平方米左右
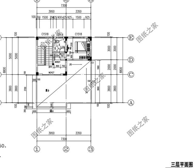
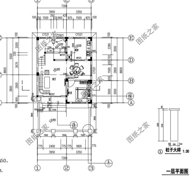
![]() 圖紙介紹:這款三層別墅占地60多平米,布局合理,住著十分舒適;因為占地面積小,所以造價也很經濟,15萬左右就可以建一棟,別墅采用平屋頂設計,節約造價成本。 占地面積:7.3m*8.8m,一層占地63平方米左右; 建筑層高:三層; 建筑高度:11.1米(含屋頂); 設計功能: 一 層:客廳、廚房、餐廳、臥室、衛生間; 二 層:娛樂區、臥室(帶衛生間)×2、衛生間、陽臺; 三 層:臥室(帶衛生間)、大露臺; ![]() ![]() ![]() 如果有要建房的朋友們可以參考一下,喜歡就千萬不要錯過啦。
圖紙之家-專注農村別墅/自建房設計18年,集合國內200余位經驗豐富的設計師,被評為口碑最好的農村建筑設計公司! |

二層半別墅設計圖,占地150平米,帶露臺,地中海風格,內部布局
占地:150平方米
最新網紅二層別墅,寬敞時尚沉穩大氣,布局實用正好滿足您的需
占地:110平方米
農村一層自建房子設計圖紙及效果圖,戶型方正
占地:多戶型可選
方方正正的二層農村別墅設計圖,普通農村人都能建
占地:201.05平方米
歐式二層農村別墅設計圖,140平方米戶型方正的好方案
占地:142.51平方米
120平方米新農村四層別墅設計圖紙12X10米50萬以內
占地:120平方米
新農村一層小別墅設計方案,四臥二廳耐看實用,方便打掃更便捷
占地:153.55平方米
豪華復式三層別墅設計圖紙,效果圖+建筑施工圖+結構施工圖
占地:126平方米
農村新中式別墅設計圖及效果圖,造價25萬左右
占地:95平方米
占地百平三層歐式別墅設計圖,回到家鄉建一棟,大氣美觀有內涵
占地:99.94平方米
簡簡單單一層農村自建別墅方案,布局緊湊又不擁擠
占地:133.55平方米
120平農村三層房屋設計圖,含外觀圖片
占地:120平方米
12.8乘10米一層平房別墅設計圖,四室二廳南北通透
占地:128.85平方米
10萬內2層小洋樓設計圖,平屋頂,戶型設計合理
占地:90平方米
農村自建四層百萬豪宅別墅設計圖,客廳中空
占地:170平方米
12x10三層別墅設計圖,農村自建房推薦戶型
占地:120平方米
占地200平米時尚現代三層農村別墅設計圖,簡簡單單百看不厭
占地:202.95平方米
20多萬的造價一層三合院農村自建房效果圖
占地:225.048平方米
160平方米農村二層四合院別墅設計圖及外觀圖片
占地:158平方米
最漂亮的一層平房圖片,全套設計圖+高清效果圖
占地:145平方米
推薦:10套新農村自建房設計圖,2026年最新設計
閱讀次數:4825737次
100套鄉村別墅圖片大全,2026年最新設計
閱讀次數:2492203次
6款農村蓋一層平房的設計圖,10萬元就能建起來
閱讀次數:1852637次
這11個一層農村自建房別墅火爆了朋友圈!我最喜歡戶型十!你呢
閱讀次數:750268次
農村6萬元建一層小別墅圖,你敢相信嗎
閱讀次數:567686次
農村5萬塊就能自建房,6套普通房子設計圖分享,你沒看錯!
閱讀次數:419410次
8套農村漂亮三間平房圖片,非常適合在農村修建!
閱讀次數:411197次
農村自建房化糞池怎么做?附方案及施工過程
閱讀次數:391783次
農村一層三間平房設計圖,告別土氣養老房,讓人忍不住點贊
閱讀次數:350581次
新農村二層樓房圖片造價12萬,挑一套回家建房吧!
閱讀次數:349126次
