
|
建筑結構:磚混結構 建筑面積:274.35平方米
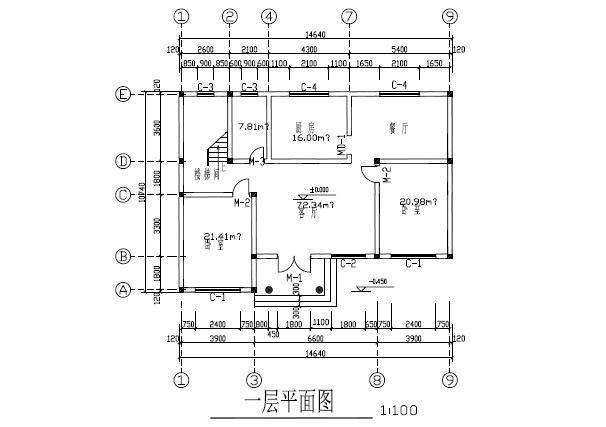
一層平面圖:
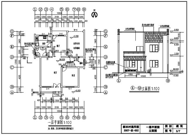
一層設計:餐廳、客廳、廚房、過廳、臥室2、車庫、洗衣房、衛生間2等 二層平面圖:
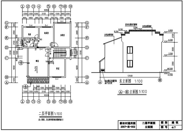
二層設計:主臥室1、家庭廳、書房、臥室2、衣帽間2、衛生間3、陽臺3等 戶型類別:中式二層農村小院 建筑面積:145.8平米 一層設計:客廳、臥室2、餐廳、廚房、樓梯間、衛生間; 二層設計:臥室2、客廳1、書房1、衛生間1、露天陽臺;
別墅外觀效果圖展示
一層平面圖展示
二層平面圖展示 戶型為二層新農村房屋,磚混結構,占地面積 117.9平方米,建筑總面積213.3平方米,建筑檐口高度6.6米,總高度9.14米。 別墅外觀效果圖:
一層平面圖:
二層平面圖展示:
本戶型外觀造型古樸大方,青灰色波形瓦貼面,墻體白色涂料飾面,色彩清新淡雅,富有時代的氣息,房間尺度設計適宜,空間利用率高,各使用空間都有較好的采光通風。 每戶總建筑面積:213.30平方米,每戶建筑首層面積:117.9平方米,二層建筑面積:95.4平方米。 建筑耐火等級:二級 抗震的設防烈度:6度 建筑使用年限:50年 機構類型:磚混結構 防水等級:三級 靠門面的寬度10.5米,另一面的寬度是13.1米 圖紙之家-專注農村別墅/自建房設計18年,集合國內200余位經驗豐富的設計師,被評為口碑最好的農村建筑設計公司! |

農村一層自建房子設計圖紙及效果圖,戶型方正
占地:多戶型可選
農村兄弟雙拼別墅三層,美觀氣派,室內布局合理實用
占地:300平方米
兩層平屋頂帶地下室別墅設計方案(全套自建房施工圖+效果圖)
占地:152.55平方米
挑空客廳戶型歐式二層別墅設計圖紙,高端大氣帶車庫
占地:236.09平方米
客廳中空三層復式別墅房屋設計圖,帶外觀效果圖
占地:145平方米
新中式三層雙拼別墅設計圖,外觀圖片美觀、大氣
占地:176平方米
大二間三層別墅戶型圖,三層新農村自建房設計圖紙及效果圖
占地:116平方米
2026年經典新中式三層別墅設計圖紙,新款自建房戶型圖
占地:158.19平方米
20萬左右農村雙拼別墅住宅設計圖,簡單小戶型設計
占地:120平方米
新農村二層客廳挑高樓房設計圖,外觀歐式風格
占地:178平方米
三間三層房子設計圖,高端三層樓房設計圖,三層兩個大露臺
占地:170平方米
南方新農村三層房屋設計圖大全,預算30萬內
占地:145平方米
美爆的三層經典復式別墅設計圖紙及效果圖,建好更漂亮
占地:130平方米左右
仿古別墅建筑設計圖,外觀效果圖+全套施工圖
占地:142平方米
帶開放式車庫的二層別墅!配土灶、室外樓梯,新穎還顯品味
占地:127.2平方米
高端三層獨棟歐式別墅效果圖,帶大衛生間,CAD全套施工設計圖
占地:158平方米
開間4米多的農村三層別墅設計圖,一開間三層自建房
占地:66.65平方米
農村二層中式小三合院別墅全套設計圖,民族特色風格
占地:122平方米
田園兩層半別墅新農村房屋施工設計圖,外觀清新靚麗感情色彩豐
占地:144.12平方米
100平米左右簡單實用的二層樓房設計圖,施工簡單造價低
占地:95平方米
推薦:10套新農村自建房設計圖,2026年最新設計
閱讀次數:4825737次
100套鄉村別墅圖片大全,2026年最新設計
閱讀次數:2492203次
6款農村蓋一層平房的設計圖,10萬元就能建起來
閱讀次數:1852637次
這11個一層農村自建房別墅火爆了朋友圈!我最喜歡戶型十!你呢
閱讀次數:750268次
農村6萬元建一層小別墅圖,你敢相信嗎
閱讀次數:567686次
農村5萬塊就能自建房,6套普通房子設計圖分享,你沒看錯!
閱讀次數:419410次
8套農村漂亮三間平房圖片,非常適合在農村修建!
閱讀次數:411197次
農村自建房化糞池怎么做?附方案及施工過程
閱讀次數:391783次
農村一層三間平房設計圖,告別土氣養老房,讓人忍不住點贊
閱讀次數:350581次
新農村二層樓房圖片造價12萬,挑一套回家建房吧!
閱讀次數:349126次
