圖紙介紹:本方案為客廳中空三層復式別墅房屋設計圖,寬闊的落地大玻璃,屋頂帶大露臺,還有個小涼亭,含外觀效果圖,外觀時尚、新穎。
占地面積:11.00m*13.2m,145平方米左右;
建筑層高:三層;
建筑高度:12.06米(含屋頂);
設計功能:
一 層:客廳、廚房、餐廳、臥室、衛生間、儲藏間;
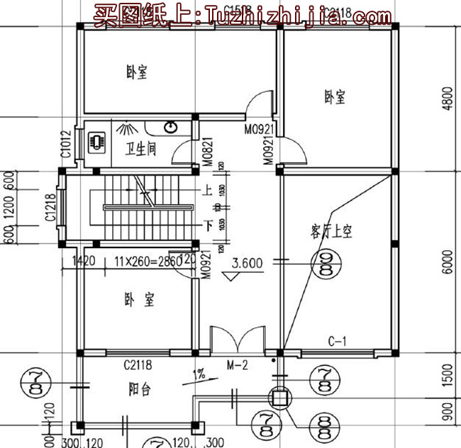
二 層:休閑廳、臥室x3、衛生間、陽臺;
三 層:臥室x2、衛生間、涼亭、露臺;
圖紙目錄:
建 筑 圖:建筑設計說明、一層平面圖、二層平面圖、三層平面圖、屋頂平面圖、正立面圖、背立面圖、左立面圖、右立面圖、1-1剖面圖、樓梯大樣圖、節點大樣圖等;
結 構 圖:結構設計總說明、基礎平面布置圖、基礎大樣圖、一層梁結構平面圖、二層梁結構平面圖、三層梁結構平面圖、屋頂梁結構平面圖、二層板結構平面圖、三層板結構平面圖、屋面板結構平面圖、樓梯大樣圖、節點大樣圖等;
給排水圖:給排水設計說明、一層給排水平面圖、二層給排水平面圖、三層給排水平面圖、屋頂給排水平面圖、衛生間大樣圖、給排水系統圖等;
電 氣 圖:電氣設計說明、弱電系統圖、配電干線系統圖、一層照明平面圖、二層照明平面圖、三層照明平面圖、一層插座平面圖、二層插座平面圖、三層插座平面圖等;
本套圖紙含全套A3設計圖+高清效果圖,拿到即可施工。



































































































