
|
未來,農村自建別墅將迎來新一波蓬勃發展,未來農村建房不再僅限于農民,而是有更多城市精英回鄉建房!因此,如何建成符合現代要求的高品質住宅,是很多建房人的難題! 今天小編就推薦三款適合歐式別墅設計圖,占地在110平左右。 第一款:現代歐式三層別墅效果圖以及戶型圖![]() ![]() ![]() 簡歐式三層別墅設計圖,簡潔大氣的戶型,雖說農村大多數是獨棟房屋,不過采光也是首要,這款有陽臺和露臺設計,還帶地下儲藏室,挑空客廳。非常適合農村自建。 占地面積:10.3m*10.5m,一層占地108平方米左右 建筑高度:12.33米(含屋頂) 設計功能: 地下室:儲藏間 一 層:客廳、廚房、餐廳、臥室(帶衛生間)、衛生間 二 層:客廳上空、起居室、臥室(帶衛生間)、臥室、衛生間、露臺 三 層:臥室(帶衛生間)、臥室、繪畫室、露臺、衛生間 ![]() ![]() ![]() ![]() 第二款:簡歐式三層自建房設計圖以及戶型圖
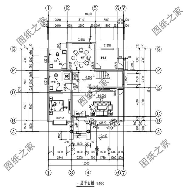
![]() ![]() ![]() 農村建房三層小洋樓,樓中樓結構,帶電梯,帶露臺,農村別墅基本上都有設計露臺,打造成露臺花園,不僅可以美化環境,而且是很好的休閑娛樂場所。 占地面積:10.5m*11.5m,一層占地110平方米左右 建筑層高:三層 建筑高度:13.01米(含屋頂) 設計功能: 一 層:客廳、餐廳、父母房(帶衛生間)、衛生間、健身房 二 層:客廳上空、起居室、臥室(帶衛生間)、臥室、公衛 三 層:起居室、臥室(帶衛生間)、臥室、公衛、露臺 ![]() ![]() ![]() 第三款:豪華歐式三層別墅效果圖以及平面圖![]() ![]() ![]() 這款最好看的農村三層,小平米數有大格局,在農村有一間這樣的別墅,陽光可以曬到每一個角落,還有大大的院子,養養花,種種菜,可以一家人住在一起,幼有所依,老有所養,其樂融融。 占地面積:10.3m*11.0m,一層占地113平方米左右 建筑高度:12.3米(含屋頂) 功能: 一 層:客廳、廚房、餐廳、臥室×2、衛生間 二 層:起居室、臥室x3、書房、衛生間、露臺 三 層:起居室、臥室(帶衛生間、衣帽間)、大露臺 ![]() ![]() ![]() 今天的分享就到這里了,有喜歡的可以告訴我,下次先看哪種,評論告訴我!本文由圖紙之家原創,歡迎關注,帶你一起長知識!
圖紙之家-專注農村別墅/自建房設計18年,集合國內200余位經驗豐富的設計師,被評為口碑最好的農村建筑設計公司! |

帶電梯的農村歐式雙拼三層豪宅別墅設計圖,樓梯電梯共用
占地:268.448平方米
面寬20米大氣的農村二層別墅設計圖,戶型帶車庫和土灶房設計
占地:250.85平方米
鄉村二層簡歐小戶型別墅圖設計,占地90平方米左右
占地:92.12平方米
小型雙拼一層平房設計圖,外觀古樸
占地:100平方米
50萬左右農村三層別墅設計圖紙,帶大露臺,外觀大氣
占地:150平方米
三層帶露臺21萬別墅設計圖,占地面積100平米左右
占地:106平方米
160平方米經典鄉村二層房屋設計圖紙
占地:160平方米
簡約大氣四開間二層自建房設計圖,16x10米,經典耐看高顏值
占地:160平方米
挑空客廳戶型歐式二層別墅設計圖紙,高端大氣帶車庫
占地:236.09平方米
農村一層平房別墅設計圖,18米乘9米,實實在在的好戶型
占地:162平方米
130平方米歐式實用農村二層樓別墅圖紙帶外觀圖12X13米
占地:132平方米
新中式徽派帶露臺別墅設計圖,構思精巧,自然得體
占地:124.82平方米
90平方米農村二層房屋設計圖紙(施工圖+效果圖)
占地:90平方米
面寬13米三層新中式獨棟別墅設計圖,復式自建房戶型方案
占地:201.25平方米
歐式三層小洋樓設計圖,外觀氣派,典雅、高貴
占地:145平方米
120平方米新農村四層房屋設計圖紙和效果圖
占地:120平方米
小平米四層自建房屋設計圖紙,戶型簡單實用,占地80平方米
占地:80平方米
戶型獨特的、二層臥室挑高的別墅房屋設計圖,外觀簡歐風格
占地:250平方米
中式四合院農村自建房設計圖,白墻黛瓦,四水歸堂
占地:137.72平方米
小型中式一層三合院別墅設計圖,小宅基地照樣建合院
占地:119.73平方米
推薦:10套新農村自建房設計圖,2026年最新設計
閱讀次數:4825737次
100套鄉村別墅圖片大全,2026年最新設計
閱讀次數:2492203次
6款農村蓋一層平房的設計圖,10萬元就能建起來
閱讀次數:1852637次
這11個一層農村自建房別墅火爆了朋友圈!我最喜歡戶型十!你呢
閱讀次數:750268次
農村6萬元建一層小別墅圖,你敢相信嗎
閱讀次數:567686次
農村5萬塊就能自建房,6套普通房子設計圖分享,你沒看錯!
閱讀次數:419410次
8套農村漂亮三間平房圖片,非常適合在農村修建!
閱讀次數:411197次
農村自建房化糞池怎么做?附方案及施工過程
閱讀次數:391783次
農村一層三間平房設計圖,告別土氣養老房,讓人忍不住點贊
閱讀次數:350581次
新農村二層樓房圖片造價12萬,挑一套回家建房吧!
閱讀次數:349126次
