
|
對于農村來說,平頂樓房可能更適合,因為畢竟要晾曬糧食,會比較方便一些。應一些朋友的要求,今天給大家分享三款三層平頂樓房設計圖,外觀簡約好看,內部功能齊全。性對于坡屋頂房屋來說,平屋頂的別墅施工簡單,造價比較經濟,更符合農村人建房。今天這三款別墅滿足了大家的需求,有需要建房的朋友可以參考。
戶型一:農村三層自建別墅設計圖,小戶型設計,造價僅15萬
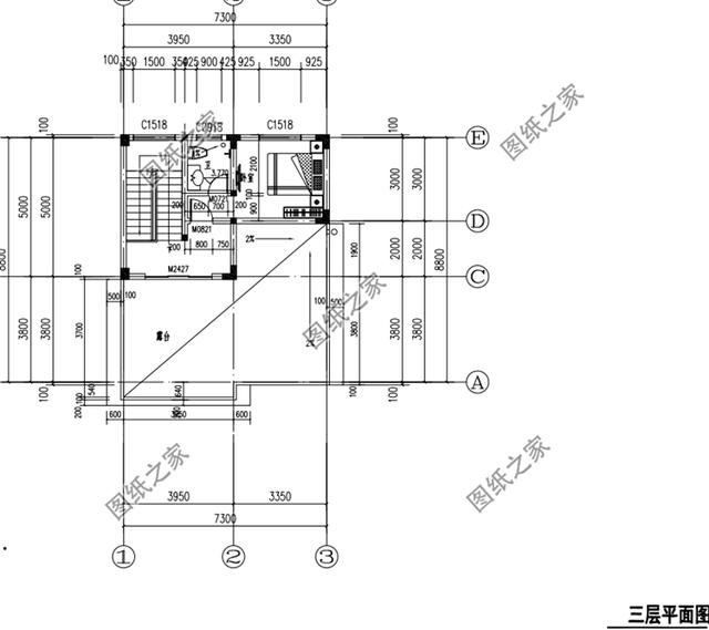
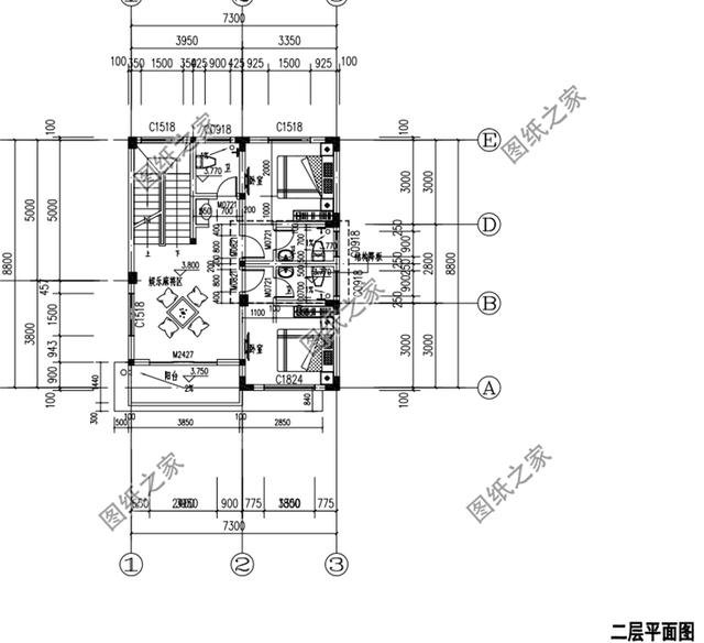
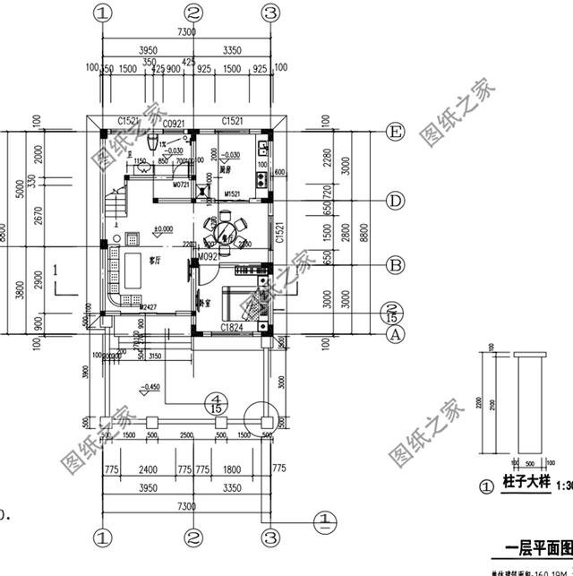
![]() 圖紙介紹:這款別墅占地60多平米,小戶型別墅設計。布局合理,空間利用率極高,占地面積小,所以造價也不是很貴,15萬左右就可以建一棟。采用的是平屋頂的設計,節約造價成本。 占地面積:7.3m*8.8m,一層占地63平方米左右; 建筑層高:三層; 建筑高度:11.1米(含屋頂); 設計功能: 一 層:客廳、廚房、餐廳、臥室、衛生間; 二 層:娛樂區、臥室(帶衛生間)×2、衛生間、陽臺; 三 層:臥室(帶衛生間)、大露臺; ![]() ![]() ![]() 戶型二:農村三層現代平頂別墅設計圖,簡約時尚
![]() 圖紙介紹:本戶型簡約時尚,大面積的玻璃窗設計,讓別墅整體看上去開闊又寬敞。層次錯落有致,有廊有臺,室內有多個臥室,人再多也夠住。 占地面積:11.82m*12.62m,125.142平方米左右; 建筑層高:三層; 建筑高度:11.2米(含屋頂); 設計功能: 一層戶型:客廳、餐廳、廚房、臥室(帶衛生間)、臥室、衛生間; 二層戶型:客廳上空、小客廳、臥室(帶衛生間)、臥室x2、衛生間、陽臺; 三層戶型:臥室x2、衛生間、露臺、涼亭(帶頂); ![]() ![]() ![]() 戶型三:農村現代三層別墅設計圖,占地100平米左右
![]() 圖紙介紹:本戶型占地100平米,小戶型設計,外型美觀,室內布局還很實用。采用平屋頂設計,外型非常好看,占地不大,造價經濟,是難得的好戶型。 占地面積:11.02m*9.67m,100平方米左右; 建筑層高:三層; 建筑高度:8.9米(含屋頂); 設計功能: 一層戶型:玄關、客廳、花池、餐廳、廚房、臥室、衛生間; 二層戶型:起居室、書房、臥室x2、衛生間、陽臺; 三層戶型:娛樂廳、茶座、露臺; ![]() ![]() ![]() 不知道這三款別墅大家更喜歡哪一款呢?歡迎下方留言。
圖紙之家-專注農村別墅/自建房設計18年,集合國內200余位經驗豐富的設計師,被評為口碑最好的農村建筑設計公司! |

鄉村中式四合院二層別墅設計圖,中式韻味十足
占地:223平方米左右
新農村三層帶露臺自建房設計施工圖,農村自建別墅推薦
占地:112平方米
農村二層住宅別墅設計圖,貼心實用,12.8米乘14.5米
占地:156.16平方米
經典四合院別墅設計圖,復式挑空客廳讓四合院更高端
占地:175平方米左右
歐式獨棟二層小別墅設計圖,客廳中空,占地126平米
占地:120平方米
120平現代實用三層別墅房屋設計圖,含外觀效果圖
占地:120平方米
最美建筑四合院別墅設計方案,大氣經典,開間19米
占地:168.61平方米
農村一層平房別墅設計施工圖效果圖,外觀簡約時尚,17萬到19萬
占地:168平方米
中式二層對稱別墅設計圖,帶地下室設計,整體造價經濟
占地:171.6平方米
新農村實用三層帶露臺房屋設計圖紙,占地110平方米
占地:109平方米
140平三層復式別墅設計圖及外觀效果圖
占地:140平方米
農村三層雙拼別墅設計圖,兄弟建房開間20米,單戶80平方
占地:160平方米
140平方米兩層別墅CAD設計圖紙及效果圖,13x11米
占地:138平方米
多臥室復式二層別墅房屋設計圖,含外觀效果圖
占地:175平方米
帶地下室的農村自建三層半歐式別墅設計圖,看著真豪氣!
占地:142.45平方米
160平方米左右二層自建別墅設計圖,對稱設計,23萬建好
占地:157平方米左右
四層(三層半)復式別墅設計圖片大全,歐式風格
占地:174平方米
適合兄弟自建的二層雙拼別墅設計方案,帶效果圖
占地:180平方米
140平方米三層豪華新中式別墅設計圖紙帶外觀效果圖
占地:141.35平方米
二層中式四合院別墅設計圖,經典、漂亮(全套施工圖)
占地:350平方米
推薦:10套新農村自建房設計圖,2026年最新設計
閱讀次數:4825737次
100套鄉村別墅圖片大全,2026年最新設計
閱讀次數:2492203次
6款農村蓋一層平房的設計圖,10萬元就能建起來
閱讀次數:1852637次
這11個一層農村自建房別墅火爆了朋友圈!我最喜歡戶型十!你呢
閱讀次數:750268次
農村6萬元建一層小別墅圖,你敢相信嗎
閱讀次數:567686次
農村5萬塊就能自建房,6套普通房子設計圖分享,你沒看錯!
閱讀次數:419410次
8套農村漂亮三間平房圖片,非常適合在農村修建!
閱讀次數:411197次
農村自建房化糞池怎么做?附方案及施工過程
閱讀次數:391783次
農村一層三間平房設計圖,告別土氣養老房,讓人忍不住點贊
閱讀次數:350581次
新農村二層樓房圖片造價12萬,挑一套回家建房吧!
閱讀次數:349126次
