
|
隨著時代與經濟的發展,城市房價的飛速上漲,很多人躋身北上廣深,花百萬都買不來一套房,甚至淪為房奴。放眼現在的鄉村,自建房越來越美觀、設計感越來越強,十足的別墅即視感。那些單調的農村紅磚房即將成為歷史,取而代之的,是越來越多的,設計別致、外觀亮麗的獨棟別墅。建房如人生,有規劃的人生,往往更成功更明朗更順暢。建房也是如此,按照自己的喜好選擇自己中意的設計圖紙,一切都在掌控之中!
八款經典農村別墅設計圖紙 (效果圖+真實案例)
三層帶車庫別墅戶型圖,簡單大氣中又帶有一種歐式建筑的典雅。露臺的設計也讓整個外觀增添了不少美感。本套圖紙有施工圖50張,效果圖1張,包打印(效果圖為彩圖,施工圖為A3大圖)
規格:12.04米×8.84米 占地面積: 103.4平方米
歐式風格與現代簡約元素完美結合,使整套別墅既有浪漫典雅的一面,又有簡潔大氣的一面,很好地滿足了人們的生活品味與審美觀。
規格:13.2米×12.8米 占地面積:170.38平方米
時尚而復古的外觀,加上外立面的弧形設計,讓這套別墅極具美感。在農村建一棟這樣的別墅,絕對可以吸引眾多眼球呢!客戶在建房過程中做了一點點修改,白色的欄桿搭配紅色的外墻,顯得清新而亮麗。
規格:14.34米×11.34米 占地面積: 157.59平方米
大門入口處的羅馬柱成為點睛之筆,車庫和露臺的設計也為整套別墅增添了不少美感。
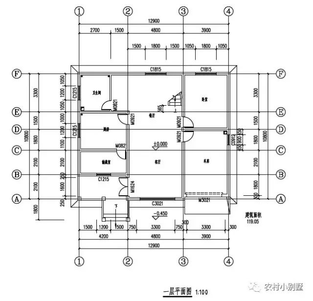
規格:12.9米×10.8米 占地面積:119.05平方米
面塊12.3米*8.4米,適合大多數人的宅基地。
規格:13.3米×14.6米 占地面積:147.7平方米
三層帶車庫別墅戶型圖,簡單大氣中又帶有一種歐式建筑的典雅。露臺的設計也讓整個外觀增添了不少美感。
本套圖紙有施工圖和效果圖,包打印(效果圖為彩圖,施工圖為A3大圖)
看似左右對稱卻又在細節上各有特點的設計,使得整套別墅給人一種莊重大氣卻又不失靈動可愛的感覺。門頭的設計簡單大氣,不一樣的窗戶設計,在整體視覺上給人一種精致而又獨特的味道。
圖紙之家-專注農村別墅/自建房設計18年,集合國內200余位經驗豐富的設計師,被評為口碑最好的農村建筑設計公司! |
|||||||||

兩層15萬農村自建房設計圖,農村蓋房設計大全圖
占地:130平方米
面寬15米一層四間現代風別墅,外觀漂亮布局實用,養老度假超巴
占地:180平方米
新徽派農村三層小別墅設計圖,白墻黛瓦中式風,12米乘11米
占地:115.46平方米
經典小戶型雙拼二層新農村房屋住宅設計圖,含效果圖
占地:80平方米
堂屋共用的三層雙拼別墅設計圖,總占地面積245平米
占地:245平方米
農村二層復式小別墅設計,進深12米,農村建房最受歡迎的款
占地:149.096 平方
160平方米農村三層小別墅設計圖紙,13.8x12.7米
占地:163平方米
漂亮的二層中式現代別墅圖,配色非常的溫馨淡雅
占地:160平方米
復式大客廳帶旋轉樓梯二層別墅設計圖,大廳很闊氣
占地:193平方米左右
偏徽派風格民居三層農村住宅設計圖,白墻黛瓦的古雅簡潔
占地:101.01平方米
經典20萬左右二層別墅設計圖紙,造型頗具設計感的小別墅
占地:多戶型可選
帶中式小院的二層仿古別墅設計圖,小戶型自建房設計,外觀美極
占地:82.94
爆款農村兄弟雙拼自建房設計圖,占地不大舒適宜居
占地:147.2平方米
好看又簡單的二層樓房設計圖紙,戶型還實用
占地:150平方米
農村三層雙拼別墅設計圖,兄弟建房開間20米,單戶80平方
占地:160平方米
18X12米農村二層溫馨小別墅設計圖,美式風格
占地:203平方米
給爸媽建養老房?100 平人字坡一層房太合適!簡約低調還實用
占地:102.6平方米
獨棟小別墅設計圖,造價30萬左右的獨棟小別墅設計推薦
占地:150平方米
140平中式徽派一層別墅設計圖,一層照樣建這樣漂亮
占地:140平方米
農村中式兩層雙拼別墅房屋設計圖,含效果圖片
占地:200平方米
推薦:10套新農村自建房設計圖,2026年最新設計
閱讀次數:4825737次
100套鄉村別墅圖片大全,2026年最新設計
閱讀次數:2492203次
6款農村蓋一層平房的設計圖,10萬元就能建起來
閱讀次數:1852637次
這11個一層農村自建房別墅火爆了朋友圈!我最喜歡戶型十!你呢
閱讀次數:750268次
農村6萬元建一層小別墅圖,你敢相信嗎
閱讀次數:567686次
農村5萬塊就能自建房,6套普通房子設計圖分享,你沒看錯!
閱讀次數:419410次
8套農村漂亮三間平房圖片,非常適合在農村修建!
閱讀次數:411197次
農村自建房化糞池怎么做?附方案及施工過程
閱讀次數:391783次
農村一層三間平房設計圖,告別土氣養老房,讓人忍不住點贊
閱讀次數:350581次
新農村二層樓房圖片造價12萬,挑一套回家建房吧!
閱讀次數:349126次
