圖紙預覽及簡介:[僅是局部效果預覽,詳細圖紙請下載附件查看]
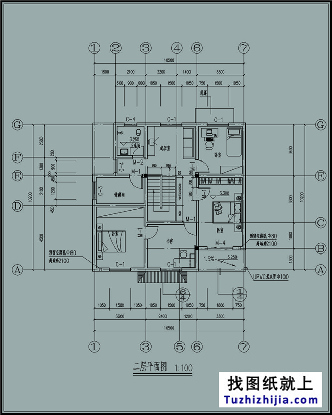
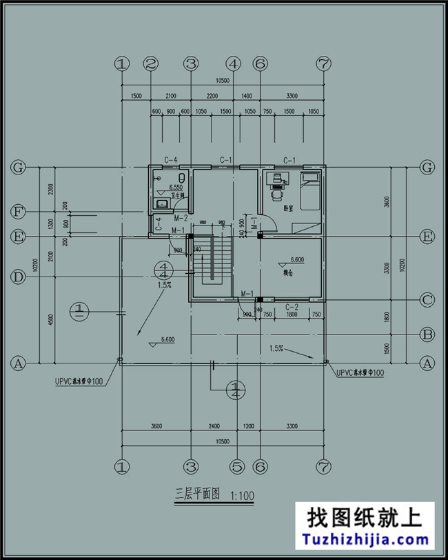
建筑占地面積:10.5米×10.2米;
建筑層數:三層;
屋頂形式:坡屋頂,建筑高度:11.6米(含屋頂);
設計功能:
一層:客廳、廚房、餐廳、衛生間、農具房、儲藏間、臥室;
二層:臥室(附書房)、臥室(附陽臺)、臥室、起居室、衛生間、儲藏間;
三層:臥室、糧倉、衛生間、露臺。
圖紙目錄:
效果圖、一層平面圖、二層平面圖、三層平面圖、屋頂平面圖、1-1剖面圖、南立面圖、北立面圖、東立面圖、西立面圖、基礎平面布置圖、二層結構平面圖、二層梁布置圖、三層結構平面圖、三層梁布置圖、屋面結構平面圖、屋面梁布置圖、大樣圖。
注:本設計包含PDF格式版本,您可以通過PDF瀏覽器查看圖紙。




































































































