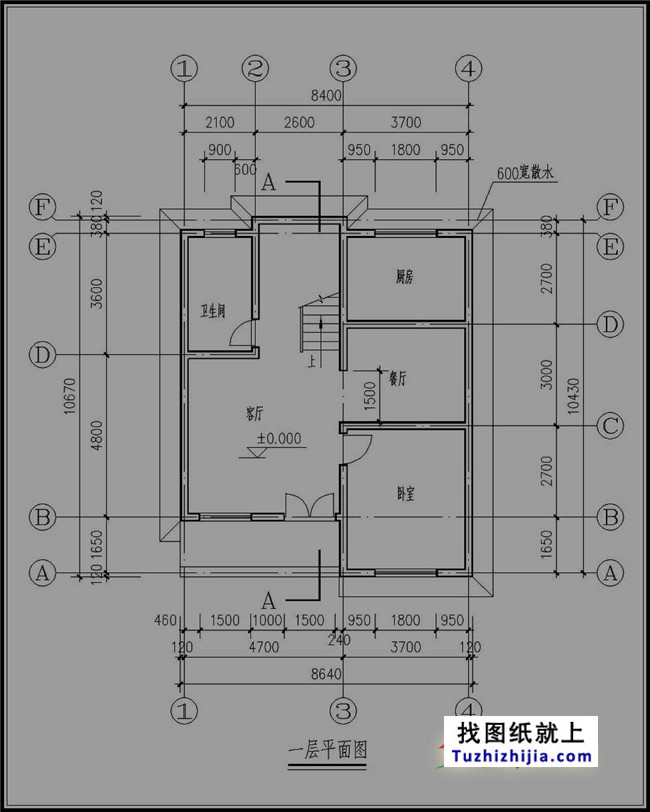
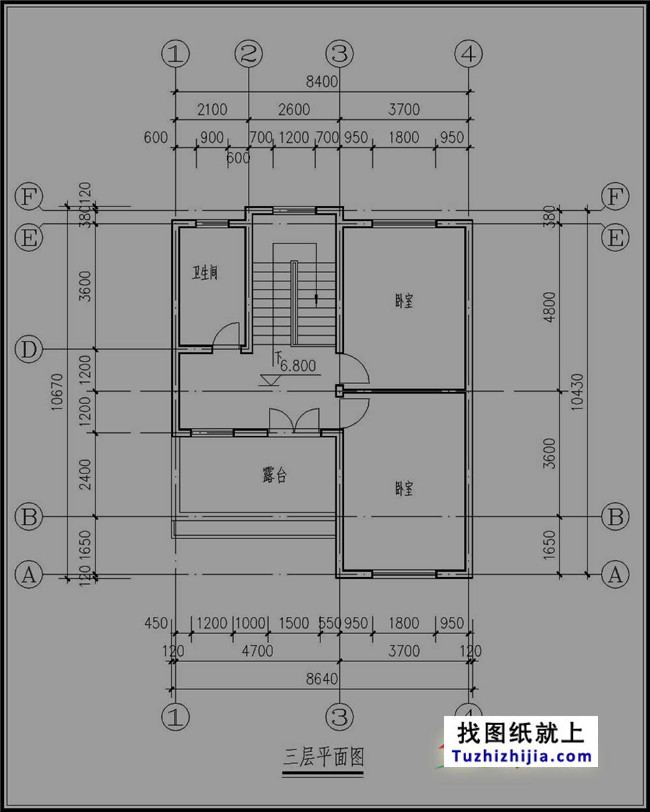
建筑占地面積:8.64米×10.67米;
占地面積:90平方米
建筑面積:248平方米。
建筑層數:三層;
建筑高度:10米(不含屋頂);
屋頂形式:坡屋頂;
設計功能:
一層:客廳、衛生間、樓梯間、廚房、餐廳、臥室;
二層:客廳、陽臺、衛生間、樓梯間、臥室、臥室;
三層:露臺、衛生間、臥室、臥室;
圖紙目錄:
建筑圖:建筑設計說明、結構設計說明、一層平面圖、二層平面圖、三層平面圖、屋面平面圖、北立面圖、南立面圖、1-1剖面圖;
結構圖:基礎平面圖、、三層梁平法施工圖、三層板平法施工圖、屋頂梁平法施工圖、基礎平面圖、屋頂板平法施工圖、二層梁平法施工圖、二層板平法施工圖;
1.本工程為三層農村房屋設計通用圖紙,結構體系為三層磚混結構,
2.本工程所注一層室內地坪標高為±0.000。
3.圖中所注尺寸除標高以米為單位,其余均以毫米為單位。
4.本設計不含二次裝修,二次裝修設計方案與設計單位協商確定后方可進行實施。
5.砌體材料均用燒結粘土空心磚。
6.窗臺高度不足900處,在窗臺內側設防護欄桿,防護欄桿凈高1050mm,豎桿凈距≤110mm,樣式由甲方自定。
7.本工程建筑類別性質為三類民用建筑,設計安全等級為二級,建筑物耐火等級為二級,屋面防水等級為三級,抗震烈度少于6度。
8.梁:主梁不宜留設施工縫;次梁的施工縫可設在梁1/3跨處;懸臂梁應與其相連接的結構整體澆筑。
9.柱:施工縫應留設在梁底標高以下30mm,或留設在梁、板面標高處。
注:本設計包含PDF格式版本,您可以通過PDF瀏覽器查看圖紙。


































































































